CDVJ5B10-15,CDVJ5B10-30,CDVJ5B10-45,CDVJ5B10-60,CDVJ5B16-15,CDVJ5B16-30,CDVJ5B16-45,CDVJ5B16-60,SMC帶閥薄型氣缸



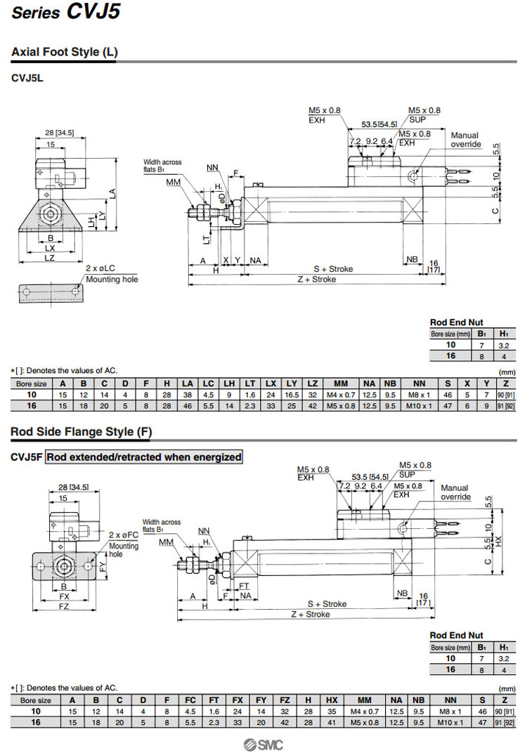
CDVJ5L10-15,CDVJ5L10-30,CDVJ5L10-45,CDVJ5L10-60,CDVJ5L16-15,CDVJ5L16-30,CDVJ5L16-45,CDVJ5L16-60,
CDVJ5F10-15,CDVJ5F10-30,CDVJ5F10-45,CDVJ5F10-60,CDVJ5F16-15,CDVJ5F16-30,CDVJ5F16-45,CDVJ5F16-60,