|
公司基本資料信息
|
|||||||||||||||
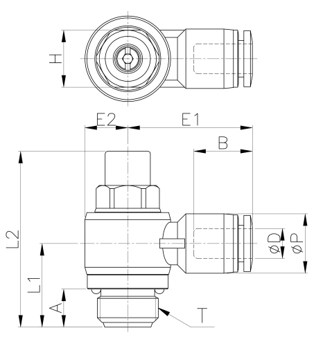
NSC04-G01(DC),NSC06-G01(DC),NSC08-G01(DC),NSC10-G01(DC),NSC12-G02(DC),調(diào)速閥
| Model | ∅D | ∅P | T | L1 | L2 | E1 | E2 | A | B | H(Hex) | WEIGHT(g) | EA(BOX) |
| NSC04-G01(DC) | 4 | 10.5 | G 1/8 | 15.3 | 31.5 | 23.3 | 7 | 6 | 15.3 | 8 | 16 | 50 |
| NSC04-G02(DC) | 4 | 10.5 | G 1/4 | 17.6 | 37 | 25.3 | 9 | 8 | 15.3 | 12 | 35 | 50 |
| NSC06-G01(DC) | 6 | 12.5 | G 1/8 | 15.3 | 31.5 | 24.2 | 7 | 6 | 16.4 | 8 | 18 | 50 |
| NSC06-G02(DC) | 6 | 12.5 | G 1/4 | 17.6 | 37 | 26.2 | 9 | 8 | 16.4 | 12 | 33 | 50 |
| NSC06-G03(DC) | 6 | 12.5 | G 3/8 | 21.4 | 43.6 | 27.7 | 11 | 8 | 16.4 | 14 | 63 | 25 |
| NSC06-G04(DC) | 6 | 12.5 | G 1/2 | 22.9 | 50 | 30.8 | 14 | 9 | 16.4 | 17 | 108 | 20 |
| NSC08-G01(DC) | 8 | 14.5 | G 1/8 | 14.2 | 31.5 | 25.9 | 7 | 6 | 18.3 | 8 | 20 | 50 |
| NSC08-G02(DC) | 8 | 14.5 | G 1/4 | 16.9 | 37 | 27.9 | 9 | 8 | 18.3 | 12 | 34 | 50 |
| NSC08-G03(DC) | 8 | 14.5 | G 3/8 | 21.4 | 43.6 | 28.9 | 11 | 8 | 18.3 | 14 | 64 | 25 |
| NSC08-G04(DC) | 8 | 14.5 | G 1/2 | 22.9 | 50 | 31.8 | 14 | 9 | 18.3 | 17 | 100 | 20 |
| NSC10-G01(DC) | 10 | 17.5 | G 1/8 | 12.7 | 31.5 | 27.9 | 7 | 6 | 19.7 | 8 | 26 | 25 |
| NSC10-G02(DC) | 10 | 17.5 | G 1/4 | 16.4 | 37 | 29.9 | 9 | 8 | 19.7 | 12 | 38 | 25 |
| NSC10-G03(DC) | 10 | 17.5 | G 3/8 | 20.1 | 43.6 | 31 | 11.2 | 8 | 19.7 | 14 | 63 | 25 |
| NSC10-G04(DC) | 10 | 17.5 | G 1/2 | 22.9 | 50 | 33.4 | 14 | 9 | 19.7 | 17 | 103 | 20 |
| NSC12-G02(DC) | 12 | 20.5 | G 1/4 | 14.9 | 37 | 33.3 | 9 | 8 | 22.4 | 12 | 42 | 25 |
| NSC12-G03(DC) | 12 | 20.5 | G 3/8 | 19.3 | 43.6 | 33.7 | 11.5 | 8 | 21.9 | 14 | 65 | 25 |
| NSC12-G04(DC) | 12 | 20.5 | G 1/2 | 21.6 | 50 | 36.1 | 14 | 9 | 21.9 | 17 | 104 | 20 |
外形尺寸
