|
公司基本資料信息
|
|||||||||||||||

| 型號 | IGP-4-64 | IGP-4-80 | IGP-4-100 | IGP-4-125 | |
| 理論排量 ml/r | 64.1 | 80.7 | 101.3 | 126.2 | |
| 轉(zhuǎn)速 r/min | 最低轉(zhuǎn)速 | 400 | 400 | 400 | 400 |
| 最高轉(zhuǎn)速 | 2800 | 2400 | 2100 | 1800 | |
| 壓力 MPa | 連續(xù)工作壓力 | 30 | 28 | 25 | 21 |
| 最大峰值壓力 | 33 | 31.5 | 30 | 25 | |
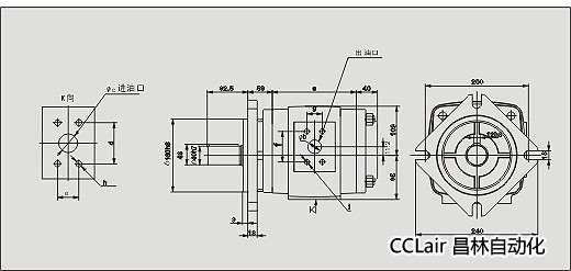
外形及安裝尺寸:

| 型號 | a | b | c | d | e | f | g | h | I | kg |
| IGP-4-64 | 140 | 23 | 40 | 70 | 36 | 52 | 26 | M12×20 | M10×15 | 29.2 |
| IGP-4-80 | 148 | 23 | 45 | 78 | 43 | 70 | 36 | M12×20 | M12×20 | 30.8 |
| IGP-4-100 | 168 | 27 | 50 | 78 | 43 | 70 | 36 | M12×20 | M12×20 | 32.5 |
| IGP-4-125 | 170 | 30 | 50 | 78 | 43 | 70 | 36 | M12×20 | M12×20 | 35.0 |