|
公司基本資料信息
|
|||||||||||||||

















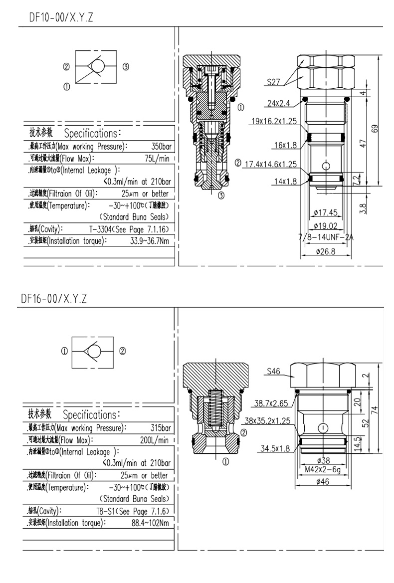
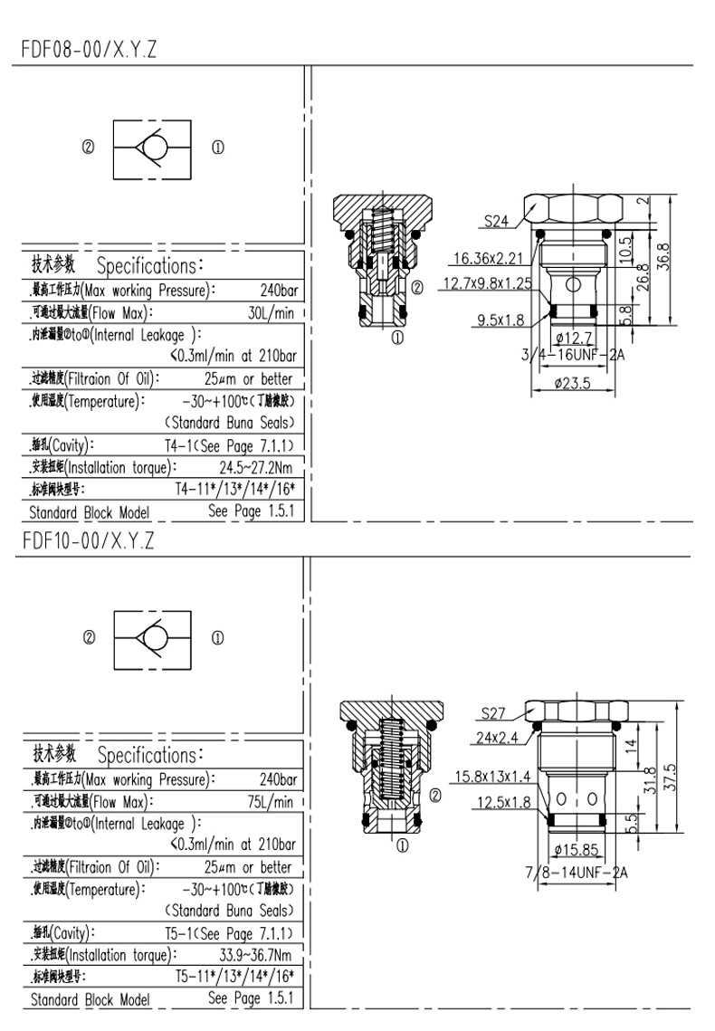
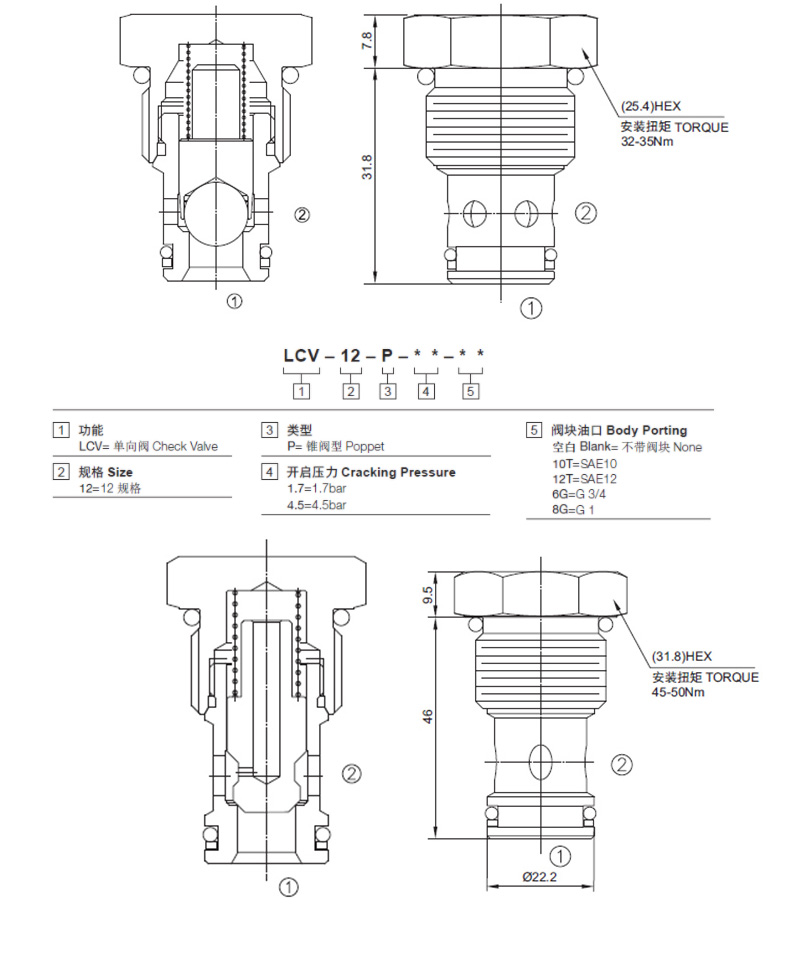
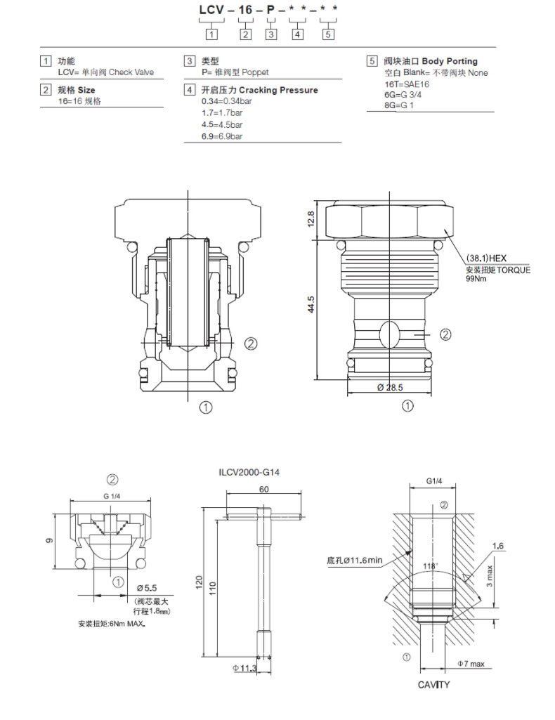
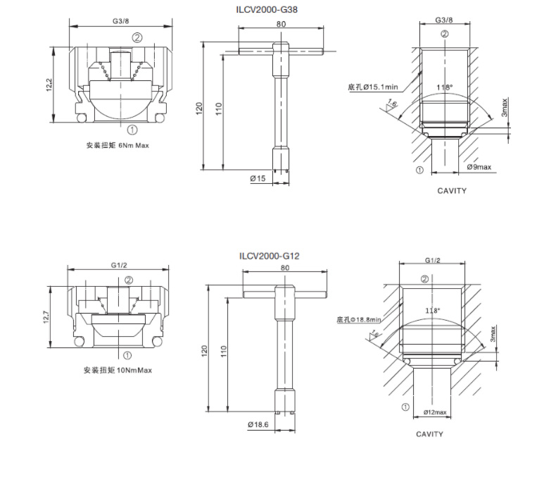
DF04-00 錐閥型 DF08-00 錐閥型 DF08-02 鋼球型 DF10-00 錐閥型 DF10-02 鋼球型 DF12-00 錐閥型 DF12-01 錐閥型 DF16-00 錐閥型 FDF08-00 反向型 FDF10-00 反向型 CV08-20- CV10-20- CV12-20- CV16-20- CV08-21- CV10-21- CCV08-20- CCV10-20- CCV12-20- CCV16-20- CCV08-05- CCV10-05- CCV12-05- CCV16-05- CCV-02 CCV-04 CCV-08 CCV-16 YDF04-00 YDF08-01 YDF10-00 YDF10-02 YDF12-00 YDF16-00 ILCV2000-G14 ILCV2000-G38 ILCV2000-G12 LCV-08-B- LCV-08-P- LCV-10-B- LCV-10-P- LCV-12-P- LCV-16-P-