|
公司基本資料信息
|
|||||||||||||||
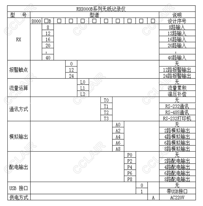
RX8008B,RX8012B,RX8016B,RX8020B,RX8024B,RX8028B,RX8032B,RX8036B,RX8040B,RX8000B無(wú)紙記錄儀


RX8008B-0,RX8008B-12,RX8008B-24,
RX8012B-0,RX8012B-12,RX8012B-24,
RX8016B-0,RX8016B-12,RX8016B-24,
RX8020B-0,RX8020B-12,RX8020B-24,
RX8024B-0,RX8024B-12,RX8024B-24,
RX8028B-0,RX8028B-12,RX8028B-24,
RX8032B-0,RX8032B-12,RX8032B-24,
RX8036B-0,RX8036B-12,RX8036B-24,
RX8040B-0,RX8040B-12,RX8040B-24,
RX8008B-0,RX8008B-12,RX8008B-24, RX8012B-0,RX8012B-12,RX8012B-24, RX8016B-0,RX8016B-12,RX8016B-24, RX8020B-0,RX8020B-12,RX8020B-24, RX8024B-0,RX8024B-12,RX8024B-24, RX8028B-0,RX8028B-12,RX8028B-24, RX8032B-0,RX8032B-12,RX8032B-24, RX8036B-0,RX8036B-12,RX8036B-24, RX8040B-0,RX8040B-12,RX8040B-24