|
公司基本資料信息
|
|||||||||||||||
PCF12-G03,PCF12-G04,
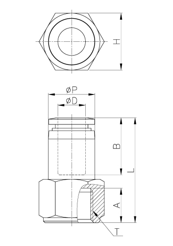
| Model | ∅D | ∅P | T | L | A | B | H(Hex) | ORIFICE | WEIGHT(g) | EA(BOX) |
| PCF04-G01 | 4 | 10 | G 1/8 | 27.1 | 9 | 14.8 | 14 | 3.5 | 16 | 100 |
| PCF04-G02 | 4 | 10 | G 1/4 | 29.1 | 11 | 14.8 | 17 | 3.5 | 20 | 100 |
| PCF04-G03 | 4 | 10 | G 3/8 | 30.1 | 12 | 14.8 | 22 | 3.5 | 35 | 50 |
| PCF06-G01 | 6 | 12 | G 1/8 | 28.2 | 10 | 16.4 | 14 | 5 | 17 | 100 |
| PCF06-G02 | 6 | 12 | G 1/4 | 30.2 | 11 | 16.4 | 17 | 5 | 23 | 100 |
| PCF06-G03 | 6 | 12 | G 3/8 | 31.2 | 12 | 16.4 | 22 | 5 | 36 | 50 |
| PCF08-G01 | 8 | 14 | G 1/8 | 29.4 | 10 | 18.4 | 14 | 6 | 19 | 100 |
| PCF08-G02 | 8 | 14 | G 1/4 | 31.4 | 11 | 18.4 | 17 | 6 | 24 | 100 |
| PCF08-G03 | 8 | 14 | G 3/8 | 32.4 | 12 | 18.4 | 22 | 6 | 38 | 50 |
| PCF08-G04 | 8 | 14 | G 1/2 | 34.4 | 14 | 18.4 | 24 | 6 | 37 | 50 |
| PCF10-G01 | 10 | 16.4 | G 1/8 | 32.6 | 10 | 19.7 | 17 | 8.5 | 31 | 100 |
| PCF10-G02 | 10 | 16.4 | G 1/4 | 32.6 | 11 | 19.7 | 17 | 8.5 | 25 | 100 |
| PCF10-G03 | 10 | 16.4 | G 3/8 | 33.6 | 12 | 19.7 | 22 | 8.5 | 39 | 50 |
| PCF10-G04 | 10 | 16.4 | G 1/2 | 35.6 | 14 | 19.7 | 24 | 8.5 | 42 | 50 |
| PCF12-G02 | 12 | 19 | G 1/4 | 37.1 | 11 | 21.9 | 22 | 10 | 52 | 50 |
| PCF12-G03 | 12 | 19 | G 3/8 | 37.1 | 12 | 21.9 | 22 | 10 | 45 | 50 |
| PCF12-G04 | 12 | 19 | G 1/2 | 39.1 | 14 | 21.9 | 24 | 10 | 48 | 25 |
外形尺寸
