|
公司基本資料信息
|
|||||||||||||||
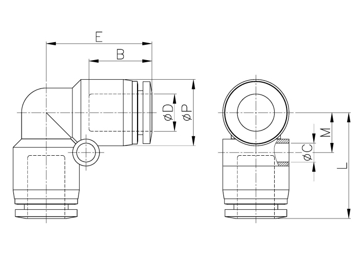
PUL04,PUL5/32,PUL06,PUL3/16,PUL08,PUL1/4,PUL10,PUL5/16,PUL12,PUL14,PUL16,PUL3/8,PUL1/2,快插式管接頭
| Model | ¢D | ¢P | L | E | ¢C | B | M | ORIFICE | WEIGHT(g) | BOX(EA) |
| PUL04 | 4 | 10.6 | 18.7 | 18.7 | 3.3 | 14.8 | 6.9 | 3.4 | 5 | 100 |
| PUL06 | 6 | 12.5 | 21.3 | 21.3 | 4.2 | 16.4 | 8.4 | 5 | 6 | 100 |
| PUL08 | 8 | 14.8 | 23.6 | 23.6 | 4.2 | 18.3 | 8.9 | 6.8 | 9 | 50 |
| PUL10 | 10 | 17.5 | 25.4 | 25.4 | 4.3 | 20.2 | 10.9 | 8 | 13 | 50 |
| PUL12 | 12 | 20.5 | 29.9 | 29.9 | 4.3 | 22.9 | 12.4 | 10 | 22 | 25 |
| PUL14 | 14 | 23 | 31.9 | 31.9 | 4.3 | 23.7 | 13.7 | 12 | 24 | 20 |
| PUL16 | 16 | 25.5 | 34.3 | 34.3 | 5.3 | 24.1 | 15.9 | 13 | 36 | 20 |
外形尺寸
