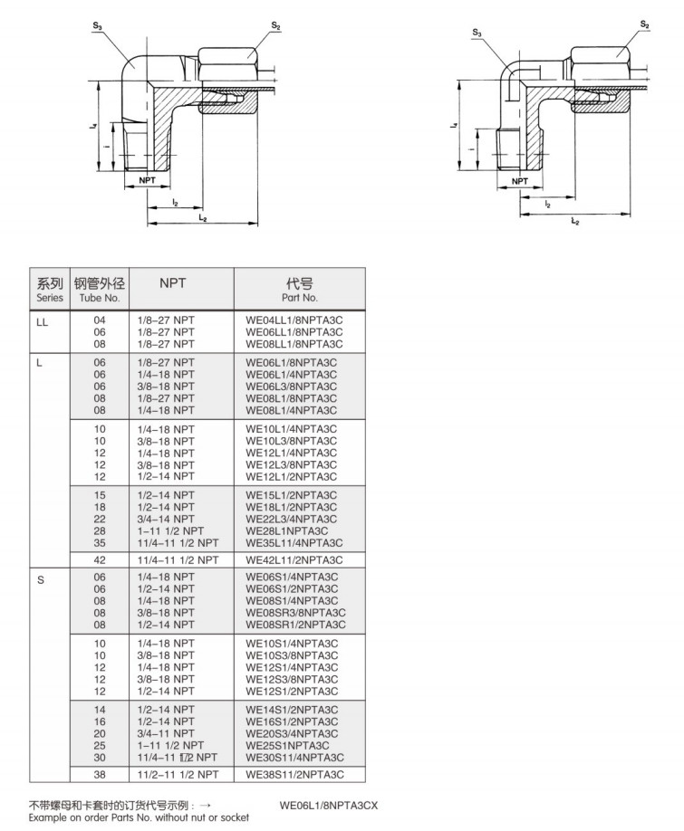
WE04LL1/8NPTA3C,WE06L1/8NPTA3C,WE08S1/4NPTA3C,WE10L1/4NPTA3C,直通接頭

WE08L1/8NPTA3C,WE08L1/4NPTA3C,WE10L3/8NPTA3C,WE12L3/8NPTA3C,
WE12L1/4NPTA3C,WE12L1/2NPTA3C,WE15L1/2NPTA3C,WE18L1/2NPTA3C,
WE22L3/4NPTA3C,WE28L1NPTA3C,CCLAIR,WE35L11/4NPTA3C,WE42L11/2NPTA3C,
WE06S1/4NPTA3C,WE06S1/2NPTA3C,WE08SR3/8NPTA3C,WE08SR1/2NPTA3C,
WE10S1/4NPTA3C,WE10S3/8NPTA3C,WE12S1/4NPTA3C,WE12S3/8NPTA3C,
WE12S1/2NPTA3C,WE14S1/2NPTA3C,WE16S1/2NPTA3C,WE20S3/4NPTA3C,
WE25S1NPTA3C,WE30S11/4NPTA3C,WE38S11/2NPTA3C,


