

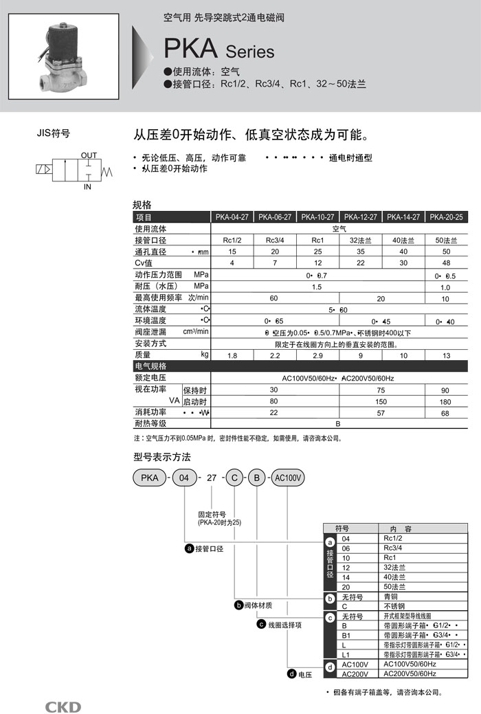
PKA-04-27,PKA-06-27,PKA-10-27,PKA-12-27,PKA-14-27,PKA-20-27,CKD先導式2通電磁閥
CKD SMC AIGNEP液壓氣動普通會員
站內搜索
|
PKA-04-27,PKA-06-27,PKA-10-27,PKA-12-27,PKA-14-27,PKA-20-27,CKD先導式2通電磁閥
詳細信息 PKA-04-27,PKA-06-27,PKA-10-27,PKA-12-27,PKA-14-27,PKA-20-27,CKD先導式2通電磁閥
共0條 相關評論 |